LuxMonday LuxMonday Header

Non-isolated LED lamp teardown and modifications.

Introduction

This article adds more detail to the youtube video that just didn't make it into the video. The goal here is to show how these non-isolated high side LED drivers work in general, this specific light is not that important. If you have a chance to design a circuit like this, or modify one, this article will give some information of where to start.
Front of PCBA
Front of PCBA
Rear of PCBA
Rear of PCBA

AC Input Circuitry

The chip is very similar to the LYT1402-1604 which I found on Digi-key. This appears to be a pretty common architecture. Let's start with the AC-input circuitry.
Actual AC Input Circuitry
Actual AC Input Circuitry
Notice the MOV is before the fusible resistor. If we want the MOV to eat up small spikes, it doesn't really matter where it is. But if we want the MOV to explicitely blow the fuse, it should be after the fusible resistor.

The circuit is rated up to 277VAC according to the manufacturer, which is above most voltages seen in residential settings in North America. As such, we have to consider the events that would cause that MOV to see such a voltage. The event where the MOV will see a very high voltage for sustained periods of time would be lightening strikes, transformer failure, or high voltage overhead lines falling on lower voltage lines.

When the MOV sees a high voltage the hope would be that it would trip and blow the 15A breaker of the AC circuit it is running from. However that's a lot of beans, there is a good chance the MOV will vaporize or burn first. So I think it's safe to say the design intent here was to protect against small transients that might damage the switching circuitry, but very large transients are not expected.

My preference would be to put the MOV after the fusible resistor, however in this design they have two fusible resistors, and therefore would need two MOVs. They have decided to save costs with a single MOV. The datasheet for the LYT1402-1604 suggests such an architecture, even pulling the MOV after the bridge rectifier:
Recommended AC Input Circuitry
Recommended AC Input Circuitry


Let's also talk about the capacitor, it's an X type EMI capacitor intended to prevent EMI from the DC-DC from radiating back out the AC line and neutral. The fusible resistors and the capacitor form an RC filter circuit that eats up high frequency switching noise. The capacitor must be an "X" type, which is physically designed to be more reliable and not catch fire. Moving on to the DC-DC section.

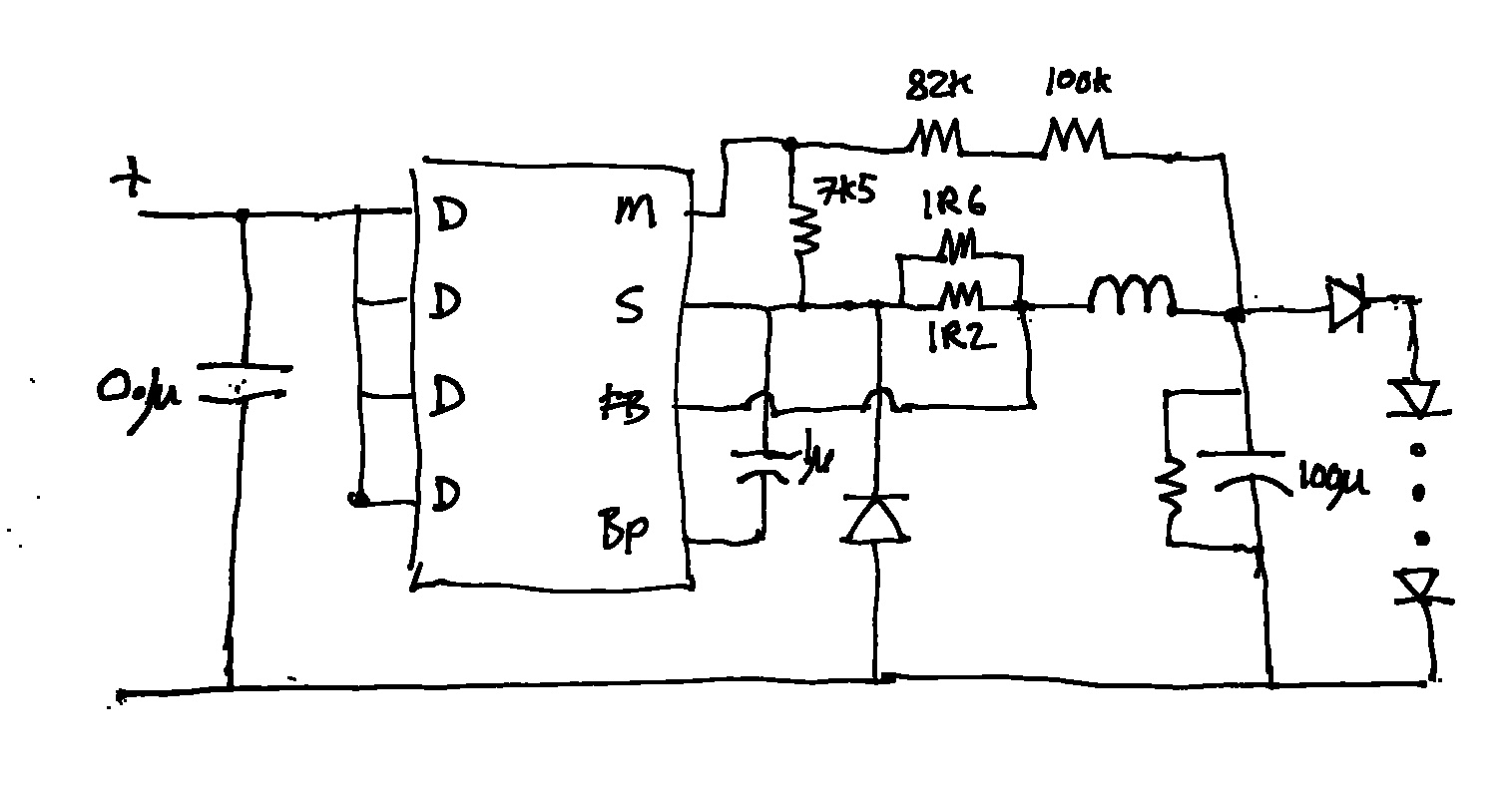
DC-DC Circuitry

DC-DC Circuitry
DC-DC Circuitry


There are a few things I don't like about this circuitry: I made the following changes: I discovered that the current setting resistor value is somewhat interactive with the voltage feedback network. So you may have to experiment with the current setting resistors after you have set your desired voltage feedback. My goal here was that if an LED fails open, or there is an intermittent connection, the DC-DC can't reach 103V and do more damage.